web stats

Mercruiser Alpha One Trim Sender Wiring: The Boat Engine Repair Secret Revealed! [diagram] trim sender wiring diagram

If you are looking for 1979 Mercruiser 5 0 Engine Diagram you've came to the right place. We have 25 Pictures about 1979 Mercruiser 5 0 Engine Diagram like Alpha One Trim Sender Wiring Diagram, Alpha One Trim Sender Wiring Diagram and also Mercruiser Alpha One Trim Pump Wiring Diagram - Wiring Diagram. Here it is:

1979 Mercruiser 5 0 Engine Diagram

1979 Mercruiser 5 0 Engine Diagram wiringdiagramoye.z4.web.core.windows.net

1979 Mercruiser 5 0 Engine Diagram

Mercury Remote Control Wiring: Simple Diagrams - WireMystique

Mercury remote control wiring: Simple diagrams - WireMystique wiremystique.com

Mercury remote control wiring: Simple diagrams - WireMystique

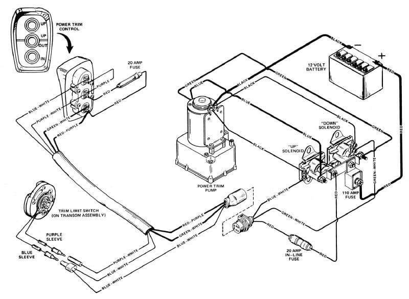
Alpha One Trim Sender Wiring Diagram

Alpha One Trim Sender Wiring Diagram wiringall.com

Alpha One Trim Sender Wiring Diagram

Mercury Tilt And Trim Gauge Wiring Diagram - Wiring Diagram

Mercury Tilt And Trim Gauge Wiring Diagram - Wiring Diagram wiringdiagram.2bitboer.com

Mercury Tilt And Trim Gauge Wiring Diagram - Wiring Diagram

A Comprehensive Guide To Mercruiser Tilt Trim Wiring Diagrams

A Comprehensive Guide to Mercruiser Tilt Trim Wiring Diagrams autoctrls.com

A Comprehensive Guide to Mercruiser Tilt Trim Wiring Diagrams

Alpha One Gen 2 Trim Sender

Alpha One Gen 2 Trim Sender partdiagramcladesen.z13.web.core.windows.net

Alpha One Gen 2 Trim Sender

Trim Sender Wiring - Offshoreonly.com

trim sender wiring - Offshoreonly.com www.offshoreonly.com

trim sender wiring - Offshoreonly.com

The Ultimate Guide To Mercury Tilt Trim Wiring Diagram

The Ultimate Guide to Mercury Tilt Trim Wiring Diagram autoctrls.com

The Ultimate Guide to Mercury Tilt Trim Wiring Diagram

Boat Trim Q&A: Mercury Trim Solenoid, Mercruiser Pump Wiring, Alpha One

Boat Trim Q&A: Mercury Trim Solenoid, Mercruiser Pump Wiring, Alpha One www.justanswer.com

Boat Trim Q&A: Mercury Trim Solenoid, Mercruiser Pump Wiring, Alpha One ...

Mercruiser Alpha One Trim Pump Wiring Diagram - Wiring Diagram

Mercruiser Alpha One Trim Pump Wiring Diagram - Wiring Diagram wiringdiagram.2bitboer.com

Mercruiser Alpha One Trim Pump Wiring Diagram - Wiring Diagram

Mercruiser Trim Gauge Wiring Diagram

Mercruiser Trim Gauge Wiring Diagram www.wiringdraw.com

Mercruiser Trim Gauge Wiring Diagram

[DIAGRAM] Trim Sender Wiring Diagram - WIRINGSCHEMA.COM

[DIAGRAM] Trim Sender Wiring Diagram - WIRINGSCHEMA.COM wiringschema.com

[DIAGRAM] Trim Sender Wiring Diagram - WIRINGSCHEMA.COM

Mercruiser Trim Sender Wiring Diagram - Wiring Site Resource

Mercruiser Trim Sender Wiring Diagram - Wiring Site Resource wiringdatabaseinfo.blogspot.com

Mercruiser Trim Sender Wiring Diagram - Wiring Site Resource

Alpha One Trim Sender Wiring Diagram

Alpha One Trim Sender Wiring Diagram wiringall.com

Alpha One Trim Sender Wiring Diagram

Wiring Harness For Mercruiser (3.0l Alpha One Engine) Engine

Wiring Harness for Mercruiser (3.0l Alpha One Engine) Engine www.marineengine.com

Wiring Harness for Mercruiser (3.0l Alpha One Engine) Engine

A Comprehensive Guide To Mercruiser Tilt Trim Wiring Diagrams

A Comprehensive Guide to Mercruiser Tilt Trim Wiring Diagrams autoctrls.com

A Comprehensive Guide to Mercruiser Tilt Trim Wiring Diagrams

Boat Trim Gauge Wiring Diagram - Wiring Site Resource

Boat Trim Gauge Wiring Diagram - Wiring Site Resource wiringdatabaseinfo.blogspot.com

Boat Trim Gauge Wiring Diagram - Wiring Site Resource

[DIAGRAM] Mercruiser Trim Sender Wiring Diagram - MYDIAGRAM.ONLINE

[DIAGRAM] Mercruiser Trim Sender Wiring Diagram - MYDIAGRAM.ONLINE mydiagram.online

[DIAGRAM] Mercruiser Trim Sender Wiring Diagram - MYDIAGRAM.ONLINE

Trim Sender Digital And Analog — Rinker Boat Company

Trim sender digital and analog — Rinker Boat Company rinkerboats.vanillacommunities.com

Trim sender digital and analog — Rinker Boat Company

Mercury 115 Hp Wiring Diagram

Mercury 115 Hp Wiring Diagram prsteyer.blogspot.com

Mercury 115 Hp Wiring Diagram

How To Replace Shift Shaft Seal On Alpha One Outdrive At Doris Castillo

How To Replace Shift Shaft Seal On Alpha One Outdrive at Doris Castillo exogahnoh.blob.core.windows.net

How To Replace Shift Shaft Seal On Alpha One Outdrive at Doris Castillo ...

Mercury Tilt And Trim Gauge Wiring Diagram - Wiring Diagram

Mercury Tilt And Trim Gauge Wiring Diagram - Wiring Diagram wiringdiagram.2bitboer.com

Mercury Tilt And Trim Gauge Wiring Diagram - Wiring Diagram

Wiring Diagram For Mercruiser Trim Sender

Wiring diagram for Mercruiser trim sender signalwires.com

Wiring diagram for Mercruiser trim sender

Mercury Smartcraft Wiring Harness Diagram - Upgreen

Mercury Smartcraft Wiring Harness Diagram - Upgreen upgreen41.blogspot.com

Mercury Smartcraft Wiring Harness Diagram - Upgreen

Mercury Throttle Control Wiring Diagram

Mercury Throttle Control Wiring Diagram scheme360.net

Mercury Throttle Control Wiring Diagram

Alpha one trim sender wiring diagram. mercruiser alpha one trim pump wiring diagram. How to replace shift shaft seal on alpha one outdrive at doris castillo